Free Shipping on all orders over $39.99.
Cart: 0.00$ 0

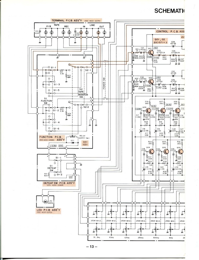
Vintage Fisher EQ-350 Graphic Equalizer Service Manual

Vintage Fisher EQ-350 Graphic Equalizer Service Manual

$ 6.87

Service Manuals....Their story... They first belonged to D&L Audio Repair that was located at 718 West Market Street in Greensboro, NC. They were in business there during the 1970's and early 1980's. ...

Description

Service Manuals....Their story... They first belonged to D&L Audio Repair that was located at 718 West Market Street in Greensboro, NC. They were in business there during the 1970's and early 1980's. D&L then moved to a small 4 store shopping center in the 4100 block of Spring Garden Street. In the late 1980's the owner decided to move to the Beach where he lived happily ever after. His technician then took a job, and the manuals to, Electronic Trader at 342 South Elm Street in Beautiful Downtown Greensboro. He worked there into the 1990's when he decided he needed to move to California were he lived happily ever after. The 5000 plus manuals wouldn't fit in his suit case so he gave them to the Electronic Trader. In 1998 the Electronic Trader decided to close. He didn't go anywhere but home. He gave the giant bookcase they lived in and all the manuals to the nice man that had Gregory's Jewelry right next door. All the owner of Gregory's really wanted was the giant bookcase. They have sat in the back room of the Jewelry store for the last 19 years. Now I have them to present to you on Ebay. Besides the stereo & electronics manuals there is also a 1950's collection of TV manuals. None of them repaired TV's. No one knows where they came from. It is sort of like the TV manuals saw the Stereo manuals going by and asked if they could come along and the Stereo manuals said sure! These manuals were all used by the repair men. They wrote notes and corrections in some of them. Most are in good shape but some show a lot of use. These are not "How To" manuals but information for technicians who know what they are doing. If you buy one of these and you don't know what you are doing you still won't know what you are doing. Take the manual and your broken stereo to someone who knows what he is doing. Thanks for looking at this listing and reading all of this. I can't believe you read all the way to the end. Good for you! These are repair manuals and do not provide operating instructions unless otherwise noted. Some manuals have a specific serial number range which is listed on the manual cover. Please be sure to check serial numbers as seller will not be responsible for manuals purchased with the incorrect serial number range. Check back often as other manuals will be listed. Shipping combined for multiple purchases of my listings. Purchases are generally shipped out same day or next business day. Shipping charges, including free shipping, are for the lower 48 states only. Please message me for any questions about my listings. Thank you for viewing.

Specifics

Brand

Fisher

Reviews

  1. Iritrub62780

    The description given was very accurate, the shoes are new. Shipped fast, packing made very carefully. The price is more than reasonable. The seller worth of saving!

  2. Carledaad925

    Watch was exactly as described, shipped in a timely manner, and packaged very safely, also received a great deal thank you so much.

  3. user3621128c

    Just as described. Well packaged, fast shipping and I'm pleased with my purchase. Trusted seller.